防火卷簾、防火門、防火窗調試及驗收規定!
防火卷簾、防火門、防火窗功能調試
一般規定
1、防火卷簾、防火門、防火窗安裝完畢后應進行功能調試,當有火災自動報警系統時,功能調試應在有關火災自動報警系統及聯動控制設備調試合格后進行。功能調試應由施工單位負責,監理單位監督。
2、防火卷簾、防火門、防火窗的功能調試應符合下列規定:
(1)調試前應具有相關的技術資料和施工過程檢查記錄及調試必需的其他資料。
(2)調試前應根據GB50877-2014規范規定的調試內容和調試方法,制訂調試方案,并應經監理單位批準。
(3)調試人員應根據批準的調試方案按程序進行調試。
3、防火卷簾、防火門、防火窗的功能調試應按規范填寫調試過程檢查記錄。施工單位應在調試合格后向建設單位申請驗收。
防火卷簾調試
1、防火卷簾控制器應進行通電功能、備用電源、火災報警功能、故障報警功能、自動控制功能、手動控制功能和自重下降功能調試,并應符合下列要求:
(1)通電功能調試時,應將防火卷簾控制器分別與消防控制室的火災報警控制器或消防聯動控制設備、相關的火災探測器、卷門機等連接并通電,防火卷簾控制器應處于正常工作狀態。
檢查數量:全數檢查。
檢查方法:直觀檢查。
(2)備用電源調試時,設有備用電源的防火卷簾,其控制器應有主、備電源轉換功能。主、備電源的工作狀態應有指示,主、備電源的轉換不應使防火卷簾控制器發生誤動作。備用電源的電池容量應保證防火卷簾控制器在備用電源供電條件下能正常可靠工作1h,并應提供控制器控制卷門機速放控制裝置完成卷簾自重垂降,控制卷簾降至下限位所需的電源。
檢查數量:全數檢查。
檢查方法:切斷防火卷簾控制器的主電源,觀察電源工作指示燈變化情況和防火卷簾是否發生誤動作。再切斷卷門機主電源,使用備用電源供電,使防火卷簾控制器工作1h,用備用電源啟動速放控制裝置,觀察防火卷簾動作、運行情況。
(3)火災報警功能調試時,防火卷簾控制器應直接或間接地接收來自火災探測器組發出的火災報警信號,并應發出聲、光報警信號。
檢查數量:全數檢查。
檢查方法:使火災探測器組發出火災報警信號,觀察防火卷簾控制器的聲、光報警情況。
(4)故障報警功能調試時,防火卷簾控制器的電源缺相或相序有誤,以及防火卷簾控制器與火災探測器之間的連接線斷線或發生故障,防火卷簾控制器均應發出故障報警信號。
檢查數量:全數檢查。
檢查方法:任意斷開電源一相或對調電源的任意兩相,手動操作防火卷簾控制器按鈕,觀察防火卷簾動作情況及防火卷簾控制器報警情況。斷開火災探測器與防火卷簾控制器的連接線,觀察防火卷簾控制器報警情況。
(5)自動控制功能調試時,當防火卷簾控制器接收到火災報警信號后,應輸出控制防火卷簾完成相應動作的信號,并應符合下列要求:
1)控制分隔防火分區的防火卷簾由上限位自動關閉至全閉。
2)防火卷簾控制器接到感煙火災探測器的報警信號后,控制防火卷簾自動關閉至中位(1.8m)處停止,接到感溫火災探測器的報警信號后,繼續關閉至全閉。
3)防火卷簾半降、全降的動作狀態信號應反饋到消防控制室。
檢查數量:全數檢查。
檢查方法:分別使火災探測器組發出半陣、全降信號,觀察防火卷簾控制器聲、光報警和防火卷簾動作、運行情況以及消防控制室防火卷簾動作狀態信號顯示情況。
(6)手動控制功能調試時,手動操作防火卷簾控制器上的按鈕和手動按鈕盒上的按鈕,可控制防火卷簾的上升、下降、停止。
檢查數量:全數檢查。
檢查方法:手動試驗。
(7)自重下降功能調試時,應將卷門機電源設置于故障狀態,防火卷簾應在防火卷簾控制器的控制下,依靠自重下降至全閉。
檢查數量:全數檢查。
檢查方法:切斷卷門機電源,按下防火卷簾控制器下降按鈕,觀察防火卷簾動作、運行情況。
2、防火卷簾用卷門機的調試應符合下列規定:
(1)卷門機手動操作裝置(手動拉鏈)應靈活、可靠,安裝位置應便于操作。使用手動操作裝置(手動拉鏈)操作防火卷簾啟、閉運行時,不應出現滑行撞擊現象。
檢查數量:全數檢查。
檢查方法:直觀檢查,拉動手動拉鏈,觀察防火卷簾動作、運行情況。
(2)卷門機應具有電動啟閉和依靠防火卷簾自重恒速下降(手動速放)的功能。啟動防火卷簾自重下降(手動速放)的臂力不應大于70N。
檢查數量:全數檢查。
檢查方法:手動試驗,拉動手動速放裝置,觀察防火卷簾動作情況,用彈簧測力計或硅碼測量其啟動下降臂力。
(3)卷門機應設有自動限位裝置,當防火卷簾啟、閉至上、下限位時,應自動停止,其重復定位誤差應小于20mm。
檢查數量:全數檢查。
檢查方法:啟動卷門機,運行一定時間后,關閉卷門機,用直尺測量重復定位誤差。
3、防火卷簾運行功能的調試應符合下列規定: (1)防火卷簾裝配完成后,簾面在導軌內運行應平穩,不應有脫軌和明顯的傾斜現象。雙簾面卷簾的兩個簾面應同時升降,兩個簾面之間的高度差不應大于50mm。
檢查數量:全數檢查。
檢查方法:手動檢查;用鋼卷尺測量雙簾面卷簾的兩個簾面之間的高度差。
(2)防火卷簾電動啟、閉的運行速度應為2m/min~7.5m/min,其自重下降速度不應大于9.5m/min。
檢查數量:全數檢查。
檢查方法:用秒表、鋼卷尺測量。
(3)防火卷簾啟、閉運行的平均噪聲不應大于85dB。
檢查數量:全數檢查。
檢查方法:在防火卷簾運行中,用聲級計在距卷簾表面的垂直距離1m、距地面的垂直距離1.5m處,水平測量三次,取其平均值。
(4)安裝在防火卷簾上的溫控釋放裝置動作后,防火卷簾應自動下降至全閉。
檢查數量:同一工程同類溫控釋放裝置抽檢1個~2個。
檢查方法:防火卷簾安裝并調試完畢后,切斷電源,加熱溫控釋放裝置,使其感溫元件動作,觀察防火卷簾動作情況。試驗前,應準備備用的溫控釋放裝置,試驗后,應重新安裝。
防火門調試
1、常閉防火門,從門的任意一側手動開啟,應自動關閉。當裝有信號反饋裝置時,開、關狀態信號應反饋到消防控制室。
檢查數量:全數檢查。
檢查方法:手動試驗。
2、常開防火門,其任意一側的火災探測器報警后,應自動關閉,并應將關閉信號反饋至消防控制室。
檢查數量:全數檢查。
檢查方法:用專用測試工具,使常開防火門一側的火災探測器發出模擬火災報警信號,觀察防火門動作情況及消防控制室信號顯示情況。
3、常開防火門,接到消防控制室手動發出的關閉指令后,應自動關閉,并應將關閉信號反饋至消防控制室。
檢查數量:全數檢查。
檢查方法:在消防控制室啟動防火門關閉功能,觀察防火門動作情況及消防控制室信號顯示情況。
4、常開防火門,接到現場手動發出的關閉指令后,應自動關閉,并應將關閉信號反饋至消防控制室。
檢查數量:全數檢查。
檢查方法:現場子動啟動防火門關閉裝置,觀察防火門動作情況及消防控制室信號顯示情況。
防火窗調試
1、活動式防火窗,現場子動啟動防火窗窗扇啟閉控制裝置時,活動窗扇應靈活開啟,并應完全關閉,同時應元啟閉卡阻現象。
檢查數量:全數檢查。
檢查方法:手動試驗。
2、活動式防火窗,其任意一側的火災探測器報警后,應自動關閉,并應將關閉信號反饋至消防控制室。
檢查數量:全數檢查。
檢查方法:用專用測試工具,使活動式防火窗任一側的火災探測器發出模擬火災報警信號,觀察防火窗動作情況及消防控制室信號顯示情況。
3、活動式防火窗,接到消防控制室發出的關閉指令后,應自動關閉,并應將關閉信號反饋至消防控制室。
檢查數量:全數檢查。
檢查方法:在消防控制室啟動防火窗關閉功能,觀察防火窗動作情況及消防控制室信號顯示情況。
4、安裝在活動式防火窗上的溫控釋放裝置動作后,活動式防火窗應在60s內自動關閉。
檢查數量:同一工程同類溫控釋放裝置抽檢1個~2個。
檢查方法:活動式防火窗安裝并調試完畢后,切斷電源,加熱溫控釋放裝置,使其熱敏感元件動作,觀察防火窗動作情況,用秒表測試關閉時間。試驗前,應準備備用的溫控釋放裝置,試驗后,應重新安裝。
防火卷簾、防火門、防火窗驗收
一般規定
1、防火卷簾、防火門、防火窗調試完畢后,應在施工單位自行檢查評定合格的基礎上進行工程質量驗收。驗收應由施工單位提出申請,并應由建設單位組織監理、設計、施工等單位共同實施。(應強制執行)
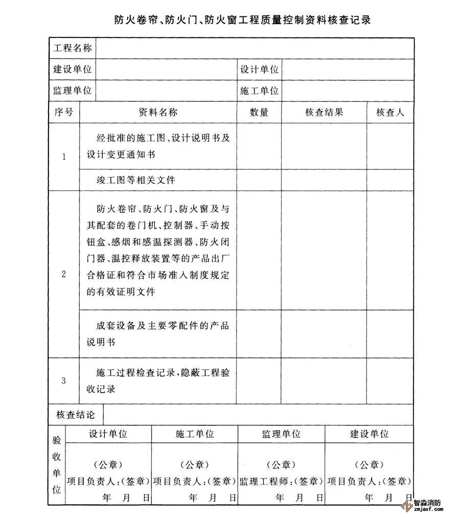
2、防火卷簾、防火門、防火窗工程質量驗收前,施工單位應提供下列文件資料,并應按下表填寫資料核查記錄:


(1)工程質量驗收申請報告。
(2)GB50877第3.0.1條規定的施工現場質量管理檢查記錄。
(3)GB50877第3.0.2條規定的技術資料。
(4)竣工圖及相關文件資料。
(5)施工過程(含進場檢驗、安裝及調試過程)檢查記錄。
(6)隱蔽工程驗收記錄。
3、防火卷簾、防火門、防火窗工程質量驗收前,應根據規范規定的驗收內容和驗收方法,制訂驗收方案,驗收人員應根據驗收案按程序進行,并應按規范填寫工程質量驗收記錄。
防火卷簾驗收
1、防火卷簾的型號、規格、數量、安裝位置等應符合設計要求。
檢查數量:全數檢查。
檢查方法:直觀檢查。
2、防火卷簾施工安裝質量的驗收應符合GB50877第5.2節的規定。
3、防火卷簾系統功能驗收應符合GB50877-2014規范第6.2節的規定。
防火門驗收
1、防火門的型號、規格、數量、安裝位置等應符合設計要求。
檢查數量:全數檢查。
檢查方法:直觀檢查;對照設計文件查看。
2、防火門安裝質量的驗收應符合GB50877-2014規范第5.3節的規定。
3、防火門控制功能驗收應符合GB50877-2014規范第6.3節的規定。
防火窗驗收
1、防火窗的型號、規格、數量、安裝位置等應符合設計要求。
檢查數量:全數檢查。
檢查方法:直觀檢查;對照設計文件查看。
2、防火窗安裝質量的驗收應符合GB50877-2014規范第5.4節的規定。
3、活動式防火窗控制功能的驗收應符合GB50877-2014規范第6.4節的規定。
智淼君安(江蘇)消防工程技術有限公司http://www.jianlaiyiyao.com/
海灣消防安全有限公司主營:GST海灣消防報警設備銷售,消防工程施工改造,氣體滅火、電氣/漏電火災、消防水系統施工安裝,售后維修保養,檢測,調試,海灣消防網站:http://www.jianlaiyiyao.com/;海灣消防服務熱線:4006-598-119
本頁關鍵詞:
上一篇:設計變更、工程簽證、確認單、工程洽商、聯系單、會簽的區別,你都知道嗎? 下一篇:出自設計師之手的滅火器!顛覆常規!
技術資料更多 >>


蘇公網安備32058102002148號