無管網七氟丙烷氣體滅火系統方案
無管網七氟丙烷氣體滅火系統方案
電話:18910580194(何經理)
一、七氟丙烷氣體滅火系統裝置簡介
柜式七氟丙烷氣體滅火系統以“潔凈氣體”七氟丙烷作為滅火劑,滅火機理是通過惰化火焰中的活性自由基,實現斷鏈滅火。七氟丙烷的特點是:無色無味、清潔、不導電、毒性低、滅火效率高、不污染被保護對象,特別是對大氣臭氧層無任何破壞作用。在第一代的哈龍替代物中,七氟丙烷的綜合性能最好。柜式七氟丙烷氣體滅火裝置是一種無管網滅火設備,具有輕便、可移動、安裝靈活的特點,外表美觀,不破壞防護區內的整潔。滅火劑無管路損失,當火災發生時,本裝置可直接向防護區噴射滅火劑,因此滅火效率高、速度快。
本公司目前的柜式裝置系列產品中,既有將報警滅火控制器安裝在柜體上的產品,也可將報警滅火控制器安裝在防護區外,供用戶靈活選用。
二、七氟丙烷氣體滅火系統適用范圍
本柜式裝置不用設置專用的瓶組間,整個柜體設置在防護區內,適用于計算機房、檔案館、貴重物品庫、通訊機房等空間較小的防護區,幾臺柜式裝置聯用也可保護較大的保護區。當建筑物內無法設置專用的瓶組間,或雖然有瓶組間,但輸送距離較遠,不能滿足工程設計的要求,或防護區內不便安裝系統管網時,可使用本裝置。三、七氟丙烷氣體滅火系統對防護區的要求
1、 防護區的最低環境溫度不應低于0℃.2、 防護區維護結構及門窗的耐火極限均不應低于0.5h;吊頂的耐火極限不應低于0.25h。
3、 防護區維護結構承受內壓的允許壓強,不宜低于1.2kPa。
4、 防護區滅火時應保持封閉條件,除泄壓口以外的開口,以及用于該防護區的通風機和通風管道中的防火閥,在噴放七氟丙烷前,應做到關閉。
四、七氟丙烷氣體滅火系統產品特點
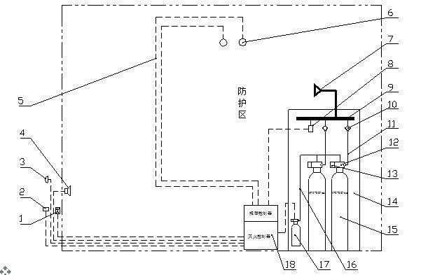
本公司精心研制開發的ZQG柜式七氟丙烷氣體滅火裝置設計合理、先進,關鍵部位采用新材料,產品性能可靠,其主要指標達到國內領先水平。各項指標均已通過國家固定滅火系統和耐火構件質量監督檢驗中心檢測。● 柜式裝置工作原理圖見圖1

| 1.緊急啟停按鈕 | 2.放氣指示燈 | 3.光報警器 | 4.聲報警器 |
| 5電氣控制線路 | 6.火災探測器 | 7.噴嘴 | 8.信號反饋裝置 |
| 9.集流管 | 10.液流單向閥 | 11.高壓軟管 | 12.滅火劑容器閥 |
| 13.機械應急啟動把手 | 14.柜體 | 15.滅火劑儲存容器 | 16.啟動管路 |
| 17.啟動裝置 | 18.報警滅火控制器 |
圖2 滅火裝置動作控制程序圖

六、七氟丙烷氣體滅火系統裝置基本性能參數
表1 裝置的基本參數| 裝置貯存壓力 | 4.2MPa | |||
| 最大工作壓力 | 5.3MPa | |||
| 最小工作壓力 | 3.6MPa | |||
| 滅火劑儲存容器容積 | 70L 90L 120L | |||
| 噴射時間 | ≤8s | |||
| 最大噴射時間 | 10s | |||
| 裝置工作電源 | AC220V 50Hz,DC24V | |||
| 氣體儲存環境溫度 | 0℃~50℃ | |||
| 啟動氣體 | 氮氣(N2) | |||
| 啟動氣體充裝壓力(20℃) | 6MPa | |||
| 產品型號 |
滅火劑最 大充裝量 (kg) |
單機最大 保護容積 (m3) |
外形尺寸 長×寬×高 (mm) |
|
|
ZQG25—1×70 ZQG(B)25—1×70 |
70 | 107 | 620×500×1800 | |
|
ZQG25—1×90 ZQG(B)25—1×90 |
90 | 139 | 620×500×1800 | |
|
ZQG25—2×90 ZQG(B )25—2×90 |
2×90 | 278 | 1000×500×1800 | |
|
ZQG25—2×120 ZQG(B )25—2×120 |
2×120 | 370 | 1000×500×1800 | |
|
注:1、單機最大保護容積是按8%的設計濃度進行設計的,選用時應計算防護區滅火劑設置用量。本公司也可根據用戶的要求度身訂做,為用戶提供多瓶組合的柜式裝置。 2、ZQG(B)系列為報警滅火控制器安裝在柜體上的產品。當幾臺柜式裝置聯用時,只需要一套報警滅火控制器 |
||||
七、七氟丙烷氣體滅火系統裝置組成
ZQG系列柜式七氟丙烷氣體滅火裝置為獨立的全淹沒滅火系統,其中的ZQG(B)型裝置的報警滅火控制器安裝在柜體上。
圖3 ZQG(B)系列型號的裝置


八、七氟丙烷氣體滅火系統安裝
● 本裝置的安裝場所應符合下列要求:(1) 環境溫度為0〇C~50〇C,且干燥、通風良好;
(2) 空氣中不得含有易爆、導電塵埃及腐蝕部件的有害物質,否則必須予以保護,裝置不得受到震動和沖擊;
(3) 整個柜體必須能安裝平穩,不允許傾斜;
(4) 防護區的面積不宜大于500m2,容積不宜大于1600m3;
(5) 防護區維護結構及門窗的耐火極限均不應低于0.5h,吊頂的耐火極限不應低于0.25h;
(6) 防護區維護結構承受內壓的允許壓強,不宜低于1.2kPa;
(7) 防護區滅火時應保持封閉條件,除泄壓口以外的開口,以及用于該防護區 的通風機和通風管道中的防火閥,在噴放七氟丙烷之前,應做到關閉;
(8) 防護區的泄壓口宜設在外墻上,應位于防護區凈高的2/3以上,泄壓口的面積應該根據相關的標準進行計算;
(9) 當設有外開彈性閉門器或彈簧門時,如果其開口面積不小于泄壓口計算面積,不須另設泄壓口。
● 安裝在防護區里的位置應選擇能避免接近熱源和太陽光直接照射的地方,并靠近墻體安裝。噴嘴的噴射方向應朝防護區
● 本裝置安裝時,應按照下列順序進行:
(1) 按照選定的位置將柜體安放平穩;
(2) 將滅火劑瓶組放入柜內,并用固定抱卡和螺栓螺母固定在柜體上;
(3) 將集流管安裝在柜體內的頂部,并用固定抱卡和螺母固定在柜體的頂部;
(4) 安裝液流單向閥和壓力軟管,壓力軟管的一端接容器閥出口,另外一端接液流單向閥入口,液流單向閥出口接彎頭或三通,連接部位用O型密封圈密封;
(5) 安裝噴嘴管路、管件和噴嘴、噴嘴罩,注意應將噴嘴罩用固定螺母固定;
(6) 安裝壓力信號反饋裝置,安裝位置在集流管的管堵頭上;
(7) 安裝啟動瓶,用抱卡和螺栓螺母將啟動瓶固定在柜體的內側面;
(8) 安裝啟動管路和管件;
(9) 檢查各個安裝連接部位,必須保證固定牢固,管路連接處密封良好。
● 裝兩個滅火劑容器的柜式裝置安裝時可參照圖5進行。

圖5 柜式裝置裝配圖
九、七氟丙烷氣體滅火系統裝置使用方法
● 裝置安裝竣工后,需經有關部門驗收合格后方可投入使用。● 該裝置的啟動方式為自動控制、手動控制和機械應急手動控制三種。一般情況下應使用手動控制,在保護區無人的情況下可以轉換為自動控制,當自動控制和手動控制不能執行時,應采用機械應急手動控制。
● 自動控制:將控制盤上控制方式選擇鍵撥到“自動”位置,滅火系統處于自動控制狀態。當保護區域發生火情,火災探測器發出火災信號,報警控制器立即發出聲、光報警信號,控制盤接受到兩個獨立的火災報警信號,發出聯動指令,關閉聯動設備,經過30秒延時,發出滅火指令,打開電磁閥釋放啟動氣體,啟動氣體通過啟動管路打開滅火劑容器閥釋放滅火劑,實施滅火。
● (電氣)手動控制:將控制盤上控制方式選擇鍵撥到“手動”位置,滅火系統處于手動控制狀態。當一保護區域發生火情,可按下手動控制盒或控制盤上的啟動按鈕即可按規定程序啟動滅火系統釋放滅火劑,實施滅火。在自動控制狀態,仍可實現(電氣)手動控制。
● 機械應急手動控制:當一保護區域發生火情,滅火控制器不能發出滅火指令時,應立即通知所有人員撤離現場,關閉聯動設備,然后撥出電磁閥上的安全卡套,壓下圓頭把手打開電磁閥,釋放啟動氣體,即可打開容器閥,釋放滅火劑,實施滅火。如果此時遇上電磁閥維修或啟動鋼瓶充換啟動氣體或其它原因不能開啟容器閥時,應拉下滅火劑容器閥上的機械應急啟動把手打開容器閥,釋放滅火劑,實施滅火。
● 當發出火情警報,在延時時間內卻發現情況變化不需啟動滅火系統進行滅火時,可按下手動控制盒或控制盤上的緊急停止按鈕,即可停止滅火控制器滅火指令的發出。
十、七氟丙烷氣體滅火系統裝置的檢查和維護
● 本裝置是一種高效滅火裝置,自動化程度高、密封要求嚴。為了確保工作的可靠性,應由經過專門培訓并經考試合格的專人負責定期檢查和維護。● 本裝置應按規定建立完善維護保養制度,制訂操作規程。對本裝置的定期檢查,應做好記錄,記錄由檢查人員簽字后歸檔保存,檢查中發現的問題應及時處理。
● 每月應對本裝置進行兩次檢查,檢查內容及要求應符合下列規定:
(1) 對儲存容器、容器閥、壓力軟管、集流管、啟動裝置、滅火劑輸送管路與噴嘴等全部裝置部件進行外觀檢查,裝置部件應無碰撞變形及其它機械性損傷,表面應無銹蝕,保護涂層應完好,銘牌應清晰,手動操作裝置的鉛封和安全標志應完整。
(2) 每個滅火劑儲瓶內滅火劑的壓力指示值應在綠色區域內。
(3) 啟動瓶氮氣的壓力指示值應在5MPa以上。
● 每年應對本裝置進行兩次全面檢查,檢查內容和要求除按月檢規定的檢查外,尚應符合下列規定:
(1) 防護區的開口情況、防護區的用途及可燃物的種類、數量、分布情況,應符合原設計規定。
(2) 壓力軟管,應無變形、裂紋及老化現象。
(3) 噴嘴孔口應無堵塞。
(4) 滅火劑的輸送管道無損傷與堵塞現象。
(5) 對防護區進行一次模擬自動啟動試驗,如有不合格項目,則應對防護區進行一次模擬噴氣試驗。
(6) 用標準壓力顯示器檢驗儲瓶內壓力和檢漏用壓力顯示器的準確性。
● 每五年應對本裝置進行一次全面檢查,檢查內容和要求除按月檢及年檢規定的檢查外,尚應符合下列規定:
(1)對閥件及啟動瓶組件進行拆洗重裝,重新試驗。
(2)對全系統重新進行調試。
● 本裝置滅火使用后,應使下列各部件的零件復位,方可繼續使用:
(1) 控制盤復位
(2) 電磁閥更換新膜片,恢復原工作狀態;
(3) 啟動鋼瓶重新充裝啟動氣體,充裝壓力6MPa;
(4) 使容器閥恢復原工作狀態;
(5) 按設計要求重新充裝滅火劑;
(6) 所有拆卸過的管路,必須安裝正確。
十一、七氟丙烷氣體滅火系統注意事項
● 裝置噴射滅火劑前,所有人員必須在延時期內撤離火情現場,滅火完畢后,必須首先啟動風機,將廢氣排出后,工作人員方可進入現場。● 啟動瓶、儲瓶在運輸過程中,應輕裝輕卸,防止碰撞、倒置,整個裝置應避免接近熱源,避免太陽光直接照射。
● 更換新的膜片必須由我公司供應,不得隨意用未經試驗的膜片代用。
● 在日常維護、保養或進行周期檢查時應嚴格按照操作程序,確保防止滅火劑誤噴。
● 拆裝過程中應避免碰傷表面而影響外觀。
● 無關人員切勿亂摸亂動本裝置的零部件,以免發生意外。
第三章 常見幾種氣體滅火系統產品對比
一、氣體滅火系統概況現在越來越多地項目中會使用到氣體滅火系統,氣體滅火系統地產品也是日新月異,而選擇那種氣體滅火系統不光要看防護區的類型,更要看其造價的高低,造價既包括滅火系統一次性工程投資費用,又包括系統投入運行后裝置的維護保養費,如日常管理人員的正常開支,設備的年度定期檢查檢測費用,藥劑的補充安裝費用,零件的正常損壞更換費等。系統越復雜、龐大,設備就越多,工程投資費與維護保養費就越高。
二、常用的幾種氣體滅火系統介紹
2.1 七氟丙烷氣體滅火系統
2.1.1七氟丙烷氣體滅火系統簡介
FM-200是國際公認理想的潔凈氣體自動滅火系統 隨著國內環保意識的提升,氣體消防面臨著一場新革命,這是因為傳統的氣體自動滅火系統,如:鹵代烷1301或二氧化碳氣體自動滅火系統,都不同程度地對人類的生存環境造成損害。
2.1.2滅火機理
當FM-200滅火氣體應用于全淹沒式的系統環境時,它能夠結合物理的和化學的反應過程迅速,有效地消除熱能,阻止火災的發生,FM200的物理特性表現在其分子汽化階段能迅速冷卻火焰溫度;并且在化學反應過程中釋放游離基,能最終阻止燃燒的連鎖反應。
2.2.3性能特點
1. 滅火速度快、效率高、主動性強
FM-200潔凈氣體自動滅火系統通常在10秒內能完全撲滅火災,FM-200潔凈氣體滅火藥劑相對被保護區的設計滅火濃度低,僅為9%,FM-200潔凈滅火藥劑可液態形式存儲并能迅速凈化為潔凈滅火氣體,滅火的主動性強。
2.潔凈
FM-200潔凈氣體自動滅火系統十分適合保護電器、磁介質、文件檔案或價值高的珍品及設備,并對被保護的物品無損害,滅火后不留任何殘留物,完全不中斷保護區內的日常工作。
3.安全
FM-200潔凈滅火氣體是國際公認的對人體無害的滅火藥劑,無毒并且不會引起呼吸系統問題。FM-200潔凈氣體自動滅火系統釋放壓力小、無毒,很適用于工作人員常駐的保護區。
4.經濟,成熟
FM-200潔凈氣體自動滅火系統因為符合目前的環保法規,所以在日后不用更換而重復投資。在設計中還可以采用集中儲存系統的組合分配法設計,更經濟有效地進行火災防護。FM-200潔凈氣體自動滅火系統體積小,氣瓶數量少,因此可以節省氣瓶間的面積。
FM-200潔凈氣體是采用美國杜邦化工公司的技術合成制造的,在全世界已有上萬例的成功應用,已經過逾十年的實踐考驗。國際上有配套的設計和工程規范。
5.環保
FM-200潔凈滅火氣體不是國際環保組織列入停止使用計劃的氣體,不會損害大氣臭氧層,在大氣中的存留期僅為31~42年。
2.2.4組成原理
FM-200潔凈氣體自動滅火系統是由氣體管網系統和自動控制系統兩部分組成,兩個系統相互獨立又協同操作以完成滅火功能 。
1.氣體管網系統由氣瓶、釋放閥、管道和噴頭組成,用于儲存、輸送滅火藥劑,起到提供滅火藥劑源的作用。
2.自動控制系統由自動滅火控制盤、探測器、手動裝置、自動啟動裝置和疏散報警裝置組成,用于自動探測,報警、手動或自動釋放控制氣體管網系統,起到自動滅火的功能。
2.2 氣溶膠滅火系統
2.2.1氣溶膠滅火系統簡介
熱氣溶膠屬于全淹沒系統,在控制火源的情況下逐步全淹沒式滅火,使人員有足夠的時間進行疏散逃生,適用于變配電間、發電機房、電纜夾層、電纜井、電纜溝等無人、相對封閉、空間較小的場所,適用撲救生產、貯存柴油(-35號柴油除外)、重油、潤滑油等丙類可燃液體的火災和可燃固體物質表面火災。 氣溶膠是以固態形式存放的,且自身又不具有揮發性,所以不會存在泄露問題等問題,據有較長的保存年限,對保護區的設施也能便于時時監控。但目前的氣溶膠在技術沒有突破且通過國家質檢中心型式檢驗之前,不能用于管網輸送系統。普通型氣溶膠(即K型氣溶膠)滅火后的殘留物對精密儀器、電子設備會存在有一定影響,技術上沒有解決該問題且通過檢驗的固定裝置,不建議用于保護計算機房、配電房等電機設備等場所,相對于K型氣溶膠,S型氣溶膠不僅具有較好的滅火效能,而且有較高的潔凈度,氣溶膠噴灑后的殘留物對于電子設備的影響較少,現國內有些氣溶膠生產廠家的S型氣溶膠的潔凈度已經可以完全達到保護電子設備的目的。
2.2.2系統組成及工作原理
當防護區內起火時,煙感探頭和溫感探頭報警之后,將火災報警信號傳遞至滅火控制器,滅火控制器同時接到煙感探頭和溫感探頭報警信號后,隨即迅速啟動警報裝置 ,警報裝置發出聲、光等火災報警信號,提醒現場人員注意和撤離, 經過30秒延時后啟動滅火裝置,噴放出滅火氣溶膠,實施全淹沒滅火
2.2.3優勢特點
1. 滅火效率高
S型氣溶膠滅火劑用量一般為130g/m3左右,滅火劑用量少,而其他氣體滅火劑用量為300-1000g/m3。 如:哈龍1301為330g/m3 , HFC227ea為530g/m3。其滅火機理主要是吸熱降溫、化學抑制雙重滅火,其滅火效率高。
2.安全無毒
S型氣溶膠滅火劑噴放物質中的成分主要是N2、少量CO2、金屬氧化物固體微粒等,均為無毒物質,對電器無二次損壞。
3.節省重量及空間
S型氣溶膠滅火系統由于是固體常壓存放,體積和重量大大減輕,其重量只有惰性氣體的1/40,空間占用只有其1/15 。
4.經濟
由于S型氣溶膠滅火系統滅火效率高,藥劑少,重量輕,占用空間小,安裝簡單,常溫、常壓儲存以及幾乎可以忽略的維護費用,使其在氣體消防產品中具有最低的成本。
5.環保
S型氣溶膠滅火劑不含大氣臭氧層損害物質,其ODP、GWP值為零,是目前理想的哈龍替代物。
6.安裝簡便,維護費用極低
氣溶膠滅火系統與其他氣體安裝相比,安裝只須一些導線的連接,所以安裝極其方便容易, 可節省工時1/3以上,而且不會對現場環境造成破壞和影響。系統由于無管網、無高壓容器、閥門、噴頭等,不需要專業部門檢測,維護費用幾乎為零,特別適合于這種環境復雜和分布廣泛的站點。
目前我所做的幾個項目均為貴陽的項目,而以上兩種氣體滅火系統就是當地最常用的2種氣體滅火系統,其它的氣體滅火產品都有較明顯的缺點就沒有一一詳細做對比,通過比較可以看出每種產品都有它的優點,該如何選擇就得結合項目實際情況和當地消防部門的要求及業主的要求作出選擇,以下表格
三、各類氣體滅火系統產品特性比較
|
產品名稱 性能指標 |
1301 | CO2 | IG-541 | 七氟丙烷 | S型氣溶膠 |
| 貯存壓力(mpa) | 1.5/4.2 | 5.17/2.07 | 15/20 | 2.5/4.2 | 0 |
| 工程造價 | 高 | 高 | 很高 | 較高 | 低 |
| 維護管理 | 復雜 | 復雜 | 復雜 | 復雜 | 簡單 |
| 毒性 | 低毒 | 窒息 | 無毒 | 低毒 | 無毒 |
| ODP | 10 | 0 | 0 | 0 | 0 |
| GWP | 5800 | 1 | 0 | 2050 | 0 |
| ALT | 100 | 120 | 0 | 31 | 0 |
| 發展程度 | 停止使用 | 逐步減少 | 成型 | 成型 | 成型 |
第五章 消防報警系統方案
1.1.1 消防報警系統設計方案
Ø 本工程消防報警系統設計為區域式報警系統,本機房區設計為二級保護對象。Ø 根據《GB50116-98火災自動報警系統設計規范》6.3條中規定,安裝消防火災自動報警系統設備,機房氣體滅火區在吊頂上吊頂下及地板下分別設置感煙、感溫探測器。火災自動報警系統具備和自動滅火設備、空調、通風、排風、配電系統聯動,能自動切斷電源、當有火災時自動滅火關閉風門。
Ø 與大樓安保中心聯網報警。
Ø 消防通道處門均向疏散方向開啟。在機房區出口處設計安全出口標志燈、機房區內安裝消防應急照燈、排風、排煙設備。以滿足《GB50116-98火災自動報警系統設計規范》6.1及6.2條中規定。
Ø 消防控制區新風、排煙機管道穿墻處均設防火閥。以滿足《GB50116-98火災自動報警系統設計規范》6.2條及《GB50166-2007火災自動報警系統施工及驗收規范》5.1.3條規定。
Ø 電源采用市電和消防主機自備電源供電方式。以《GB50116-98火災自動報警系統設計規范》條文說明中9條規定。
Ø 本系統采用國內知名品牌-----海灣安全技術有限責任公司生產的消防報警設備。
JTY-GD-G3型智能光電感煙探測器
JTY-GD-G3智能光電感煙探測器采用專用的控制芯片及數字元化總線通訊技術,具有很高的報警可靠性及簡便的安裝調試方式。本探測器采用無極性信號二總線技術,可與海灣公司生產的各類火災報警控制器配合使用。本探測器的傳感器部分采用前向散射迷宮結構,具有對煙霧信號進行實時采集、按照智能火災算法進行動態分析,并可將結果傳送給控制器,通過控制器進行進一步分析,迅速準確地探測出因燃燒而產生的可見和不可見煙霧,并對各種火警作出反應。探測器內溫度補償器件的設置,一方面可以矯正器件的溫度漂移,另一方面對火災的溫度變化也能夠提供一定的信號補償作用,大大提高了報警的可靠性。
本探測器內設置了帶A/D轉換的八位單片計算機,具備強大的分析、判斷能力,通過在探測器內部固化的運算程序,可自動完成對外界環境參數變化的補償及火警、故障的判斷,存儲環境參數變化的特征曲線,極大提高了整個系統探測火災的實時性、準確性。本探測器采用電子編碼方式,現場編碼簡單、方便。探測器采用指示燈閃爍的方式提示其正常工作狀態,可在現場觀察其運行狀況。
探測器具有自診斷功能,對器件損壞、迷宮污染等情況可進行自我檢查,并向控制器發出故障報警信號。
探測器的結構設計充分考慮了探測器的防水特性。整個探測器分底座與探測頭兩部分,底座僅有固定腳及接線端子,不含其它電路。探測器的底部采用密封方式,側面留有溢水孔,確保在有溢水或滲水的情況下,探測器能夠正常工作。另外,每只探測器內線路板均采用防水工藝處理,表面噴有防水膠,保障探測器內部的防潮性能。探測器為專利產品,專利號為:ZL99311724.4。
主要技術指標如下:
◎工作電壓:總線24V
◎監視電流≤0.8mA
◎報警電流≤2.0mA
◎報警確認燈:紅色,巡檢時閃爍,報警時常亮
◎使用環境:溫度: -10℃~+50℃ 相對濕度≤95%,不結露
◎編碼方式:十進制電子編碼
◎外形尺寸:直徑:100mm,高:42mm(不帶底座)
JTW-ZCD-G3N型智能電子差定溫感溫探測器
智能電子差定溫感溫探測器采用優質電子測溫傳感器以及專用的控制芯片及數字元化總線通訊技術,工作性能穩定、可靠。探測器根據應用環境可以分別設定為差溫或定溫探測器,并且可以設定差溫探測器的靈敏度以及定溫探測器的報警溫度,以適用不同場所的應用。探測器可以采用總線、環形或兩種方式混合的布線方式與火災自動報警控制器相連,布線靈活,安裝方便。
探測器的結構設計充分考慮了探測器的防水特性。整個探測器分底座與探測頭兩部分,底座僅有固定腳及接線端子,不含其它電路。探測器的底部采用密封方式,側面留有溢水孔;接線端子設計有防水護套保護,確保在有溢水或滲水的情況下,探測器能夠正常工作。本探測器可通過掌上型編碼器進行電子編碼及性能檢查,具有良好的抗粉塵及潮濕能力。
本探測器為專利產品,專利號為ZL99311722.8。
主要技術指標如下:
◎工作電壓:總線24V
◎監視電流≤0.8mA
◎報警電流≤2.0mA
◎報警確認燈:紅色,巡檢時閃爍,報警時常亮
◎定溫靈敏度級別:定溫1級靈敏度:報警設定溫度58℃;定溫2級靈敏度:報警設定溫度66℃;定溫3級靈敏度:報警設定溫度72℃。
◎使用環境:溫度: -10℃~+50℃ 相對濕度≤95%,不結露
◎編碼方式:十進制電子編碼
◎外形尺寸:直徑:100mm,高:45mm(不帶底座)
● J-SAM-GST9122A型手動火災報警按鈕
J-SAM-GST9122A型智能編碼手動報警按鈕的設計采用新穎的造型結構,可恢復的特性,非常適合應用。手動報警按鈕安裝在公共場所,當人工確認火災發生后按下按鈕上的有機玻璃片,可向控制器發出火災報警信號,控制器接收到報警信號后,顯示出報警按鈕的編號或位置并發出報警音響。手動報警按鈕可直接接到控制器總線上。J-SAM-GST9122A型智能編碼手動報警按鈕具有以下特點:
(1)手動報警按鈕采用無極性信號二總線,其地址編碼可由手持電子編碼器在1~242之間任意設定。
(2)手動報警按鈕采用拔插式結構設計,按鈕上的有機玻璃壓片子按下后可用專用工具復位。
(3)按下手動報警按鈕玻璃片,可由按鈕提供額定DC60V /100mA無源輸出觸點信號,可直接控制其它外部設備。
手動報警按鈕采用全密封設計,接縫處設計了密封墊,具備防水功能。另外,線路板采用防水工藝處理,表面噴有防水膠,保障手鈕內部的防潮性能。
主要技術指標如下:
◎工作電壓:總線24V
◎監視電流≤0.8mA
◎動作電流≤ 2mA
◎線制:與控制器無極性信號二總線連接
◎使用環境:溫度:-10℃~+50℃ 相對濕度:≤95%,不結露
◎外形尺寸:90mm×122mm×48.5mm
GST-LD-8301型智能編碼單輸入/單輸出模塊
GST-LD-8301型智能編碼單輸入/單輸出模塊用于將現場各種各種一次動作并有動作返回的被動型設備如排煙口、送風口、防火閥等接入到控制器的信號總線上。控制器依據預先輸入的聯動關系向滿足啟動條件的設備發出啟動命令,模塊接收到啟動命令后,將通過相應的啟動裝置啟動聯動消防設備。聯動設備動作后,設備中的常開輸出觸點閉合,模塊將此開關信號轉換成報警信號,通過總線向控制器發出設備動作回答信號,控制器將顯示出動作設備的編號,并發出報警聲響。該模塊具有一對常開、一對常閉輸出觸點及一對常開輸入觸點(可通過電子編碼器更改為常閉輸入),輸出觸點容量為5A,DC24V。模塊設有動作指示燈,正常狀態時閃亮;當控制器發出啟動信號時,指示燈點亮。模塊輸入信號應為無源信號,當現場設備無回答信號產生時,可通過電子編碼器設定為自回答方式,以確認模塊動作。當模塊本身出現故障時,控制器也將產生報警并將模塊編號顯示出來。其編碼的方式為電子編碼,編碼方式簡便快捷。模塊采用全密封設計,接縫處設計了密封墊,具備防水功能。另外,線路板采用防水工藝處理,表面噴有防水膠,保障模塊內部的防潮性能。
主要技術指標如下:
◎工作電壓:總線24V
◎監視電流≤1mA
◎動作電流≤5mA
◎線制:與控制器采用無極性信號二總線連接,與DC24V電源采用無極性電源二總線連接
◎使用環境:溫度:-10℃~+50℃ 相對濕度:≤95%,不結露
◎外形尺寸:80mm×120mm×39mm
產品制造、安裝、驗收采用的規程、標準及規范
海灣公司為貴工程提供的火災自動報警設計方案嚴格遵守國家有關標準和規范,方案中涉及的產品均滿足國家標準及行業標準。在制造工藝方面,嚴格執行有關的國家標準,規范工藝流程,確保產品質量。海灣公司1994年通過ISO9001質量管理和質量保障體系認證,產品的設計、生產、銷售、服務諸環節均得到有效的控制。為了進一步提高產品質量,與國際標準接軌,在產品設計及企業標準制訂過程中,參照了大量相關的國際標準。下面是采用標準及參照標準列表。《中華人民共和國消防法》
《點型感煙火災探測器技術要求及試驗方法》(GB4715-93)
《點型感溫火災探測器技術要求及試驗方法》(GB4716-93)
《手動報警按鈕技術要求及試驗方法》(GA5-91)
《火災報警控制器通用技術條件》(GB4717-93)
《消防聯動設備通用技術條件》(GB16806-1997)
《火災自動報警系統設計規范》(GB50116-98)
《火災自動報警系統施工及驗收規范》(GB50166-92)
《民用建筑電氣設計規范》(JGJ/T16-92)
《電氣裝置安裝工程施工及驗收規范》(GBJ232-90,92及GB50258-96)
《建筑設計防火規范》GBJ 16-87(2001年版)
《自動噴水滅火系統設計規范》(GB50084-2001)
《建筑滅火器配置設計規范》(GBJ140-90) 97年版
《火災自動報警系統安裝使用規范》(中國工程標準化委員會標準)
《高層民用建筑設計防火規范》GB50045-95(2001版)
《火力發電廠與變電所設計防火規范》(GB50229-96)
《火災報警設備圖形符號》(ZBC8001)
《電氣裝置安裝工程施工及驗收規范》(GBJ232)
《電力工程電纜設計規范》(GB50217-94)
1.1.1 滅火設計方案
Ø 滅火區域設計:機房分為主機房、電源室、監控室和消防控制室;根據相關規范和法律法規將此機房分為兩個區,其中主機房為一分區,電源室、監控室和消防控制室為一分區;Ø 滅火方案:滅火分區采用七氟丙烷氣體滅火,滅火區采用無管網安裝方式,滅火設備采用上海金盾產品。
Ø 滅火系統的控制方式設計為自動、電氣手動、機械應急手動三種啟動方式,在保護區外應設置手動控制盒,設置聲光報警及氣體釋放信號警告標志。以滿足《GB50370-2005氣體滅火系統設計規范》5.02條規定。
Ø 根據《GB50370-2005氣體滅火系統設計規范》3.2.7條規定,防護區應設置泄壓口,安裝泄壓口裝置。七氟丙烷氣體滅火系統的泄壓口應位于防護區凈高的2/3以上。本機房工程設有2個滅火分區,需設置2套泄壓口裝置。
Ø 根據《GB50370-2005氣體滅火系統設計規范》3.3.7條規定,在通訊機房和電子計算機房等防護區,設計噴放時間不應大于8s,其他防護區,設計噴放時間不應大于10s。本機房設計的氣體滅火系統滅火氣體在8s內噴放完畢。
Ø 系統設計圖紙需消防主管部門會審,按設計圖安裝完畢后,經消防主管部門檢驗合格,方可提交建設單位驗收,即可交付投入使用。
消防系統設計品牌:消防報警系統設計選用國內第一品牌“海灣”牌、氣體滅火系統設計選用國內質量最優上海“金盾”牌。
1.1.2 消防排風排煙機及防火閥設計
火災易產生大量煙氣,煙氣具有毒害性、減光性和恐怖性,嚴重影響人員疏散和滅火救援行動,危害很大,是火災中造成人員傷亡的主要因素之一。根據《高層建筑防火排煙設計規范》及《GB50116-98火災自動報警系統設計規范》規定,本機房區需設計排煙系統。本機房消防滅火區設計選用機械排煙,即利用排煙機把著火區域中所產生的煙氣通過排煙口排至室外的排煙方式。排煙口放置在對外出口處,出風口外不應有墻面阻擋,影響到煙氣的排出。送風口的風速將不應大于7m/s;排煙口的風速不應大于10m/s,以滿足規范要求。在排煙系統管道上及管道穿越防火分區的隔墻處設排煙防火閥,以防止火災時高溫有毒煙氣傳輸,引起火災蔓延擴大和有毒氣體的擴散。
根據規范要求消防排煙系統按每平方米面積不小于60m3/h計算,本工程主機房按照一個防煙分區排煙設計,主機房需設計約3600m3/h排煙量。設計選用上海“應達”HTF系列消防專用排煙產品。
1.1.3 區域火災報警控制設備及滅火設備設計、安裝要求
Ø 根據《GB50116-98火災自動報警系統設計規范》5.2.2.5條規定,區域火災報警控制器或火災報警控制哭安裝在墻上時,其底邊距地面高度宜為1.3~1.5m,其靠近門軸的側面距墻不應小于0.5m,正面操作距離不應小于1.2m。Ø 根據《GB50116-98火災自動報警系統設計規范》5.5.2條規定,每個防火分區至少應設一個火災警報裝置,其位置宜設在各樓層走道靠近樓梯出口處。
Ø 根據《GB50116-98火災自動報警系統設計規范》5.7條規定,火災自動報警系統接地裝置的接地電阻值,采用專用接地裝置時,接地電阻不應大于4Ω;共用接地時,不應大于1 Ω;專用接地干線采用銅芯絕緣導線,截面積不應小于25mm2。消防電子設備凡采用交流電時,設備金屬外殼和金屬支架等應作保護接地,接地線應與電氣保護接地干線PE線相連接。
Ø 根據《GB50116-98火災自動報警系統設計規范》7.2條規定,本次機房可選擇點型感煙、點型溫感探測器。
Ø 根據《GB50116-2007火災自動報警系統施工及驗收規范》3.4條規定,點型感煙、點型溫感探測器安裝,應該符合下列要求:
1.探測器至墻壁、梁邊的水平距離,不應小于0.5m;
2.探測器周圍水平距離0.5m內,不應有遮擋物;
3.探測器至空調送風口最近邊的水平距離,不應小于1.5m;至多孔送風頂棚孔口的水平距離,不應小于0.5m;
4.在寬度小于3m的內走道頂棚上安裝探測器時,宜居中安裝。點型感溫火災探測器的安裝間距,不應超過10m;點型感煙火災探測器的安裝間距,不應超過11m。探測器至端墻的距離,不應大于安裝間距的一半。
第四章 無管網氣體滅火系統施工安裝
第一節、預制無管網氣體滅火系統
預制無管網氣體滅火系統采用柜式滅火裝置,整個柜體直接固定在預先設置的基礎上。施工要點如下:對基礎進行外觀檢查,主要看基礎表明有無蜂窩、麻面等質量缺陷。
對基礎的位置、幾何尺寸的測量檢查:檢查的主要項目有基礎的坐標位置,不同平面的標高,平面外形尺寸,平面的水平程度,基礎的鉛垂程度,預埋地腳螺栓的標高和中心距,預埋地腳螺栓孔的中心位置、深度和孔壁鉛垂程度等。
將箱體平穩的放置在預先設置的基礎上,用地腳螺栓固定或通過墊鐵找正找平。同時可使設備長期保持必要的安裝精度,保證設備的正常運轉。
將電磁啟動器、壓力信號發生器接至滅火控制器,并檢查線路是否正確,按接線圖與報警控制器進行接線。
因電磁啟動器動作機構的彈簧已處在壓縮狀態,為了防止在安裝、調試及運輸中產生誤動作,動作機構是由保險定位軸鎖定的,待整個系統安裝、調試完畢后,即投入使用時,必須將電磁啟動器保險定位軸旋出后調頭旋緊安裝,否則電磁啟動器動作機構將無法動作。
第二節、火災自動報警控制部分
氣體滅火系統電氣控制部分主要由分配管、布線(含金屬線槽敷設)和設備安裝三大部分組成。一、配管
1.金屬管的加工要求:(1).金屬管應符合設計文件的規定,表面不應有穿孔,裂縫和明顯的凹凸不平,內壁應光滑,不允許有銹蝕。
(2).為了防止在穿電纜時劃傷電纜,管口應無刺和銳棱角。
(3).為了減少直理管在沉陷時管口處對電纜的剪切力,金屬管口宜做成喇叭形。
(4).金屬管在彎制后,不應有裂縫和明顯的凹癟現象。若彎曲程度過大,將減少線管的有效直徑,造成穿線困難。
(5).金屬管的彎曲半徑不應小于所穿入電纜的最小允許彎曲半徑。
(6).鍍鋅管鋅層剝落處應涂防腐漆,以增加使用壽命。
2.金屬管的切割套絲
(1).在配管時,應根據實際需要長度對管子進行切割。可使用鋼鋸、管子切割刀或電動切管機,嚴禁使用氣割。
(2).管子和管子連接,管子和接線盒、配線箱連接,都需要在管子端部套絲。套絲可用管子絲板或電動套絲機。套完絲后,應隨即清掃管口,將管口端面和內壁的毛刺用銼刀銼光,使管口保持光滑,避免破壞線纜護套。
3.金屬管彎曲
(1).在敷設金屬線管時應盡量減少彎頭,每根金屬管的彎頭不宜超過3個,直角彎頭不應超過2個,并不應有S彎出現,對于截面較大的電纜不允許有彎頭,可采用內徑較大的管子或增設拉線盒 。
(2).明配管時,一般不小于管外徑的6倍;只有一個彎時,可不小于管外徑的4倍;整排鋼管在轉彎處,宜彎成同心圓形狀。一般不小于管外徑的6倍,敷設于地下或混凝土樓板內時,應不小于管外徑的10倍。金屬管應用防火涂料或防火漆進行防火處理。
(3).電線管的彎曲處不應有折皺、陷和裂縫,且彎扁程度不應大于管外徑的10%。
4.金屬管的連接
(1).金屬管連接應牢固,密封良好,兩管口應對準。套接的短套管或帶螺紋的管接頭的長度,不應小于金屬管外徑的2.2倍。管接頭處應以銅線作可靠連接,以保證電氣接地的連續。
(2).金屬管連接不宜采取直接對焊的方式。
(3).金屬管進入接線盒后,可用縮緊螺母或帶絲扣管帽固定,露出縮緊螺母的絲扣為2~4扣。或者采用銅杯臣與梳結來連接金屬管與接線盒。但都應保證接線盒內露出的長度要小于5mm。
5.金屬管的敷設
管內穿線前應將管內積水及雜物清除干凈,導線在管內不得有接頭,接頭應在接線盒內進行,管口處加塑料護嘴,不同回路、不同電壓等級、交流和直流的導線不應穿入同根管內。管線穿過建筑物伸縮縫時,應在伸縮縫兩端留接線盒和接地螺栓。
金屬管敷設時應采用下列方法:
(1).金屬管連接時,管孔應對準,接縫應嚴密,不得有水和泥漿滲入。
(2).金屬管道應有不小于0.1%的排水坡度。
(3).金屬管應用卡子固定,支持點間的間距不應超過3米。在距接線盒0.3米處,要用管卡將管子固定。在彎頭的地方,兩邊也要固定。
(4).當弱電管道與強電管道盡量不平行布設時,如果條件不允許,應盡量使兩者有一定的間距,以300mm以上為宜。
(5).當線路明配時,彎曲半徑不宜小于管外徑的6倍,當兩個接線盒間只有一個彎曲時,其彎曲半徑不宜小于管外徑的4倍。
(6).水平線垂直敷設的明配電線保護管,其水平垂直安裝的允許偏差為1.5%,全長偏差不應大于管內徑的確良1/2。
(7).鋼管不應有折扁和裂縫,管內應無鐵屑及毛刺,切斷口應平整、管口應光滑。
(8).薄壁電線管的連接必須采用絲扣連接,管道套絲長度不應小于接頭長度的1/2,在管接頭兩端應加跨接地線(不小于4平方毫米銅芯電線)。
(9).當電線管與設備直接連接時,應將管敷設到設備的接線盒內;當鋼管與設備間接連接時,應增設電線保護軟管或可撓金屬保護管(金屬軟管)連接;選用軟管接頭時,不得利用金屬軟管作為接地體。
(10).鍍鋅鋼管的跨接接地線,宜采用專用接地線卡跨接,不應采用熔焊連接。
(11).明配鋼管應排列整齊,固定點的間距應均勻,鋼管管卡間的最大距離應符合規范的要求:管卡與終端、彎頭中點、電氣器具或接線盒(箱)。
二、布線
1)施工條件:(1).土建的粗裝修完成后。
(2).管路核對完畢,配管專業對不通管路按照圖紙及設計要求補做完成;
(3).管內代線穿好;
(4).所有接線盒、探測器、手報按鈕、電話插孔等安裝盒清理干凈。
2)材料要求:
(1).各種導線、電纜的型號、規格必須符合投標文件規定、設計要求和國家相關標準的規定,并有產品合格證。材料進場后,及時填寫進場材料檢查記錄。
(2).系統傳輸線路,按使用要求,電壓等級不應低于交流250V,以提高導線的絕緣和抗干擾能力。
(3).參與滅火的設備直接手動啟停控制線路,為耐火線,電壓等級不應低于交流500V,以提高導線的絕緣和抗干擾能力。
3)線路敷設
(1).管內和線槽內的穿線,應在建筑抹灰及地面工程結束后進行。
(2).在穿線前,應將管內及線槽內的積水及雜物清楚干凈。
(3).匯線槽內放線前,應先檢查管與線槽連接處的護口是否齊全,導線是否符合設計要求,管進盒、管進匯線槽的根母是否安裝牢固,而后放線。
(4).所有的線纜應敷設在指定的橋架、線槽或線管內,線纜的敷設應平直,不得產生扭絞、打圈等現象,不應受到外力的擠壓和損傷。線纜的排列應避免交叉。
(5).為防止線纜受損,在安排線纜路線時,必須考慮線纜的最小彎曲半徑,并提供參數給業主審核。
(6).敷設多條線纜的位置應用扎線帶綁扎,并做出標識。扎線帶應保持相應間距,線纜扎線帶的綁扎不能太緊以免影響線纜的使用,線纜的排列應避免交叉,對敷設線纜的線管或橋架(暗敷的線管或橋架除外)在每隔15m處應設置色標,色標寬度 > 50mm。
(7).穿線時,配合協調好,一拉一送。穿入管內和線槽內的導線不應有接頭或扭結,導線的絕緣層不得損壞,不得扭結,管口處缺護口時在穿線前要補上護口。
(8).管路較長、彎路較多、穿線困難時,可往管內放少量滑石粉潤滑,但不得使用其它油類。敷設在多塵或潮濕場所管路的管口和管子連接處均作密封處理。
(9).導線的接頭,應在接線盒內焊接或用端子連接,接線盒甩出線為15-20cm。管內電線應順直,放平,管內不得有背扣,打結現象,穿管絕緣導線的總面積不應超過管內截面積的40%。不同系統、不同電壓等級、不同電流類別的線路,不應穿在同一管內或線槽的同一槽孔內。
(10).每放一路線,都必須在電纜頭、尾上綁掛電纜銘牌,銘牌上應編上每回路編號、電纜型號、規格及長度。也可號碼管作標識
(11).氣體控制其的傳輸線路應選擇不同顏色的絕緣導線,探測器的“+”線為紅色,“-”線為藍色,其余線應根據不同用途采用其它顏色區分。但同一工程中相同用途的導線顏色應一致,接線端子應為機打永不退色標號。
(12).穿線完畢,在設備安裝之前,要用500V兆歐表對線路的干線、支線進行全面相間、對地的絕緣搖測,其絕緣電阻值不得小于20兆歐姆。方法是一人搖測,一人及時讀數,并記錄,搖動速度應保持在120n/min左右,讀數應采用一分鐘后的讀數為宜。確認絕緣搖測無誤符合設計要求,并填寫搖測記錄表。
(13).銅導線的焊接,加熱時要掌握好溫度,溫度過高焊錫不飽滿,溫度過低刷錫不勻,因此,要根據焊錫的成分質量及外界環境溫度等諸多因素,隨時掌握好適宜的溫度進行焊接,焊接完后必須用布將焊接處的焊劑及其它污物擦凈。
(14).接線端子箱安裝位置應準確,部件齊全,箱體開孔合適,切口整齊,油漆完整,盤內外清潔,箱蓋、開關靈活,回路編號清晰,接線整齊,線安裝明顯牢固。接線箱因有引出管而需開孔時,必須使用開孔器,嚴禁用電、氣焊開孔。
三、設備安裝
滅火控制盤及手動緊急停止按鈕安裝在被保護區主出入口門外,嵌埋在墻內,控制盤底面距完成地面1.4米。氣體滅火控制屏為上走線。警鈴、聲光報警器、氣體釋放燈安裝在保護區門口正上方。
氣體滅火系統管網施工與其他安裝單位(土建總包,精裝修單位,機電安裝單位)在工程施工界面和管理責任上的劃分原則。
氣體滅火系統是在保護區內的特殊重要設備,其管網位置及標高都是經過計算得出的,為保證氣體滅火的安全可靠,在施工中應以氣體管網施工優先,在條件許可的情況下其它專業設備應避讓氣體管網。因此所有氣體管網施工在與各專業協調后應不能再隨意更改,其他專業的更改、變更也要以不改變消防管路的原則情況下進行。
氣體滅火系統管網應與保護區內安放的設備協調并不妨礙設備使用,管網的施工圖紙應和保護區內設備圖協調,確保互相不妨礙。
氣體滅火系統管網應和保護區內裝修協調,氣體釋放噴頭下放位置不和天花吊頂、照明燈箱等室內裝飾發生沖突。
氣體滅火系統縱向貼墻走管、橫向穿墻走管如破壞室內裝飾效果,裝修專業可對氣體滅火系統管網進行裝飾。
第三節、調試
在系統測試工作開始前20天,提交測試工作計劃和方案,詳細說明測試工作內容、測試方法、測試儀器和儀表,由雇主和監理工程師審核批準。一.調試前準備
設計圖紙及氣體滅火控制盤操作手冊調試報告
二.需要滿足條件
1. 現場氣體滅火系統設備安裝完畢。2. 管線施工安裝完畢。
3. 火災報警系統調試完畢,能夠接受氣體滅火系統傳送信號。
4. 與氣體滅火系統相關聯的聯動設備安裝完畢。
5. 提供消防電源。
三.專業系統及輔助系統的調試內容
系統調試內容主要包括對氣體系統部分安裝連接、管道管線的檢查;對氣體控制部分加電測試功能性。主要內容如下:控制盤工作;
一路煙感探測器
二路溫感探測器
警鈴
聲光報警器,
氣體釋放燈
緊急停止按鈕
電磁閥啟動
選擇閥啟動
壓力開關、低壓開關信號
緊急啟動工作模式轉換
四.各種調試試驗的具體步驟
調試實驗步驟,在系統未加電狀態:1. 在鋼瓶間內檢查鋼瓶、選擇閥、氣動閥、壓力開關、傳動管、電磁閥、標識、聯動盤等是否連接正確。
2.在保護區內檢查管道安裝、走向、標識、噴頭安裝。
3. 在保護區門口檢查氣體控制盤、警鈴、聲光報警器、釋放燈、緊急停止按鈕。
4. 其他相關連線。
以上步驟結束后,無問題可讓系統進入加電狀態:
1. 先加保險絲開關再加電池
2.測試各顯示燈,檢查電路板故障燈是否提示,排除系統故障
3.檢查二個回路探測器通訊是否正常
4.加煙、溫測試1、2回路報警
5.在自動/手動檔位,測試電磁閥動作,同時可測試緊急停止按鈕、警鈴、聲光報警器、氣體釋放燈
6.在手動檔位,測試緊急啟動按鈕功能
7. 測試檢查相關聯動點動作是否正確
8.和火災報警系統配合調試,檢測氣體滅火系統的火警信號、系統故障信號、氣體釋放信號、手/自動信號是否傳給火災報警系統
9.調試完畢使系統恢復正常
10. 以上步驟同時都作好記錄,完成后填寫調試報告,由各方相關人員確認。
五.總結
調試工作完成后,氣體自動滅火系統的功能性達到設計要求,具備交付業主的條件(還需要和其他系統同步),但在系統正式交付業主(系統開通)前,氣體鋼瓶上將不能安裝電磁閥。六.安全注意事項
1. 調試期間不能將電磁閥安裝到鋼瓶上2. 注意用電安全
3.注意人身安全
七.調試人員
我公司將安排有豐富經驗的、通過設備制造商認證的工程師進行現場調試,并會同設備制造商的技術人員共同進行。第四節、試運行及驗收
試運行期1)試運行以前向監理工程師提交《試運行計劃》及記錄表格樣式,由監理工程師確認。
2)我公司配合監理工程師、雇主按照經過確認的《試運行計劃》進行工作,并配合監理工程師、雇主完成有關試運行的所有的記錄和報告。
3)系統能夠連續正常運行3個月,我公司負責保證系統的實際運行的功能和性能以及測試性能指標滿足技術規格要求;設備設施的實際運行性能和測試性能指標滿足技術規格要求;
4)試運行期間我公司還將對系統的可行性進行檢驗,未達到要求的項目及時整改。
5)保留6人分三班24小時駐守現場,配合完成試運行的維護。
驗收
在三個月的試運行期后,我公司將積極配合雇主向政府及有關管理機構辦理必要的竣工批準和登記手續,完成有關主管部門對系統的檢驗。
1)配合建設單位向公政府及有關主管部門提交驗收申請報告,并提供下列文件和資料;建設過程中消防部門的消防審核文件、備忘錄及其落實情況;施工單位,設備廠家的資質證書和產品的檢測證書;施工記錄;調試報告;建設單位組織施工單位、設計單位、監理等單位辦理的竣工驗收單;檢測單位提出的檢測報告;系統竣工圖、系統竣工表;管理維護人員登記表。
2)工程經有關主管部門核驗,全部合格后,發給建設單位驗收合格證書,建設單位可投入使用,可進行工程移交工作。
第五章 無管網七氟丙烷系統設計施工方案
1.基本設計參數
(1)保護區有關參數
| 保護區名稱 | 面積(M2) | 高(M) | 凈容積(M3) |
| 機房 | 84.36 | 3.2 | 270 |
(3)保護區設置通風設備
(4)保護區設計環境溫度為20℃
(5)海拔高度修正系數為1
七氟丙烷(HFC-227)氣體滅火系統的最小設計滅火濃度為8%(20℃時),在7秒鐘內噴射一定濃度的HFC-227滅火劑,并使其均勻地充滿整個保護區,并且要求浸漬時間不少于3分鐘。
2.對保護區的要求:
(1)保護區應為獨立區域
(2)保護區的圍護結構及門窗的耐火極限不低于0.5h,圍護結構及門窗的允許壓強不小于1200Pa。
(3)噴放HFC-227前,應停止一切影響滅火效果的設備
(4)保護區的通風系統在噴放HFC-227滅火劑前應關閉,并設置防火閥門,關閉通風口。
(5)保護區的門應向外開啟,并能自行關閉;保證在任何情況下均能從保護區內打開。
3.系統控制方式
氣體滅火系統的控制,應同時具有自動控制、電氣手動控制和應急機械手動操作三種控制方式。
七氟丙烷(HFC-227)氣體滅火系統三種控制方式的動作程序如下:
a). 自動控制:
保護區域內設置有感煙感溫探測器。發生火災時,其中任一組探測器報警后,氣體控制盤接收該火警信號,將顯示出該組報警信號,同時控制盤會輸出如下聯動控制信號:
□鳴響保護區范圍內的警鈴通知人員撤離;
□輸出如下聯動控制信號:
□停止保護范圍內的通風設備以封閉房間;
□關閉保護范圍內通風口處的防火閥以封閉房間。
□輸出干節點報警信號至消防報警系統總控制盤;
此時消防值班人員應立即去現場處理與確認火警。而當另一組探測器也報警,氣體控制盤上再次出現聲光報警信號,并顯示出該組報警信號,同時控制盤再次輸出如下聯動控制信號:
□保護區范圍內的警鈴停止鳴響;
□鳴響保護區域外的蜂鳴器并點亮閃燈,警告所有人員不能進入保護區域,直至確認火災已經撲滅。
□經過30內的秒延時后,通過控制盤啟動七氟丙烷(HFC-227)氣體鋼瓶組上釋放閥的電磁啟動器(電磁閥)和對應保護區域的區域選擇閥,使七氟丙烷(HFC-227)氣體沿管道和噴頭輸送到對應的指定的保護區域滅火;
□一旦七氟丙烷(HFC-227)氣體釋放后,壓力開關會將藥劑已經釋放的干節點信號送回氣體控制盤及消防報警系統的總控制盤。并點亮保護區的氣體釋放燈,警告所有人員不能進入保護區域,直至確認火災已經撲滅。
當七氟丙烷(HFC-227)氣體滅火系統的控制盤啟動所有的警鈴、蜂鳴器及閃燈后,在系統處于延時階段時,如發現是系統誤動作,或確有火災發生但僅使用手提式滅火器和其它移動式滅火設備即可撲滅火災,可將設在氣體控制盤上的手/自動轉換開關轉到手動狀態(直至按一下氣體控制盤的復位開關),可以使系統暫時停止釋放藥劑。如需繼續開啟七氟丙烷(HFC-227)氣體滅火系統,則只需將設在氣體控制柜上的手/自動轉換開關轉到自動狀態即可。
在保護區域的每一個出入口外側的門上方,都會設置一個氣體釋放指示燈、蜂鳴器及閃燈,而警鈴則設在每個出入口的內側。同樣,在保護區域的每一個出入口的外側,都會設置一個緊急啟停按鈕,但系統的手/自動轉換開關則只設置在氣體控制柜上。
b). 電氣手動控制:
即通過電氣方式的手動控制。緊急啟動按鈕按下后,系統將不經過延時而被直接啟動以釋放七氟丙烷(HFC-227)氣體。
c). 應急機械操作:
應急操作實際上是全機械方式的操作,不需任何電源,只有當自動控制和電氣手動控制均失靈時,才需要采用應急操作。此時可通過操作設在七氟丙烷(HFC-227)氣體鋼瓶上的機械式手動啟動器,區域選擇閥上的機械式手動啟動器,來開啟整個氣體滅火系統,同時輸出干節點信號至氣體控制盤,并引起如下的聯動:
□控制盤上出現聲、光報警信號,并顯示出壓力開關是否已動作;
□鳴響保護區域內外的蜂鳴器并點亮閃燈;
□輸出干節點氣體噴放信號至消防報警系統總控制盤;
4. 對火災報警系統的要求
七氟丙烷(HFC-227)氣體滅火系統的保護區內應有感煙感溫感探測器,以確保滅火系統的二級報警要求。保護區的煙感探測器應間隔布置,每個探測器的保護面積按50~60m2計算。
為了滿足七氟丙烷(HFC-227)氣體滅火系統與火災自動報警系統聯動控制的要求,火災自動報警系統應能接收壓力開關送出的七氟丙烷氣體噴放動作信號和氣體控制盤送出的探測器一級報警信號和系統故障等信號,即火災報警系統應在保護區的氣體控制盤附近設置能發出或接收上述信號的模塊。
5.設計計算結果:見下表
參數名稱 中心機房
面積(m2)84.36
體積(m3)270
層高(m) 3.2
設計濃度(%) 8
噴放時間(S) 8
每發生裝置充裝量(Kg) 86
設計用量(Kg) 172
無管網發生裝置數(只) 2
(五)、七氟丙烷氣體滅火系統安裝與調試
1. 系統安裝
(1)管道的安裝設計依據美國國家防火協會(NFPA)的NFPA2001標準,同時參照了《氣體滅火系統施工及驗收規范》(GB50263-97)和《氣體滅火系統設計規范》(GB50370-2005)。
(2)滅火系統裝置應按設計圖紙安裝,固定牢固,操作觀察方便。
(3)氣體控制盤、緊急啟停按鈕應安裝在墻上距地(樓)面高度1.3米處,應安裝牢固并不得傾斜。蜂鳴器及閃燈、警鈴安裝高度為2.2米左右。
(4)報警系統其它設備的安裝參照《火災自動報警系統施工及驗收規范》GB50166-92。
(5)在保護區每個入口處設置警示牌,警示牌上包括下面內容:“此區為七氟丙烷(HFC-227)自動滅火系統保護區。在報警時或釋放HFC-227滅火劑時,立即撤離該保護區,在徹底通風以前,不要進入該保護區”。
2.七氟丙烷滅火系統調試
(1)七氟丙烷滅火系統的調試,應在系統安裝并試壓合格后進行。
(2)為了防止人為誤操作引起系統噴放的電磁閥啟動器及就地手動啟動器,應嚴格按照安裝手冊進行安裝。
(3)檢查氣體控制盤各連接回路是否正確,無故障信號產生。
(4)對七氟丙烷滅火系統的探測器逐個進行試驗,確認其動作應準確無誤。
(5)檢測系統的一級二級報警信號是否正確,二級報警信號產生后,系統延30秒,啟動瓶頭閥及選擇閥上的電磁閥啟動器。
(6)檢測系統的手拉啟動及應急操作是否正確可靠,手/自動轉換開關是否工作正常。
(7)消防中央控制室應能夠接受到系統的一級報警、故障、噴氣三種信號。
(8)調試完畢,應對系統進行復位。
第八章 消防系統工程施工方案
1 工程概述
1.1 前言
本施工組織設計是工程承建單位在整個施工期內指導安裝工程施工的大綱。將由項目經理部精心組織、精心施工。1.2 本施工方案編制依據
本施工方案編制依據:A.氣體滅火系統平面圖、系統圖
B. 氣體滅火系統施工和驗收規范 GB50263—2007
C.《氣體滅火系統施工及驗收規范》 (GB50263-2007)
D.《工業金屬管道工程施工及驗收規范》 (GB50235-97)
1.3 工作方式
該氣體滅火系統采用預制(無管網)單元獨立全淹沒滅火方式。2工程管理目標
Ø 實行以合同期為目標的項目法施工,全面履行工程合同,保工期、保質量、保交工。Ø 質量監督管理控制:為了保證工程質量,項目組配備質量監督工程師,按照ISO9001 質量管理的目標、步驟、辦法完成質量監督管理。
Ø 采取有效可靠的質量保證措施,創優良工程,并達到市合格工程評定條件。
Ø 建立強有力的項目領導班子,組織一流素質的施工隊伍,采取先進的施工管理方法和施工技術。
Ø 實現安全生產和文明施工。
3 施工方案
3.1 施工準備
3.1.1施工技術準備
(1) 施工前做好消防工程各系統工程圖紙的內部會審,并根據消防部門對本消防系統工程的審核意見對圖紙進行核實,深化設計的部分,施工中必須落實,保證各消防系統圖紙的有效性。(2) 組織工程技術和設計人員深化熟悉設計圖紙,掌握設計要點和施工工藝標準,會同業主、設計單位、監理、各分包單位進行設計交底和圖紙會審。
(3) 進一步細化消防系統施工方案,調整施工方案,組織工程技術人員向施工人員進行技術交底,熟悉各系統施工工藝、檢測、試驗及調試方案,明確各系統消防工程檢驗規范和評定標準。
(4) 制定保證工程質量技術措施和安全操作規程的技術文件,編制質量驗收計劃和安全檢查規定,確保本項目消防系統工程質量達到優良。
(5) 建立完整的技術檔案和竣工資料所需的各種試驗記錄樣本和表格,編制施工中試壓、沖洗、試驗、調試計劃及資料。
(6) 做好各種設備技術文件的準備工作。
(7) 做好所有支架、吊架、托架的選用設計工作。
3.1.2施工現場準備
按業主統一安排在指定現場,確定我單位材料堆放場地,現場材料加工及設備放置位置,施工用電、用水及道路暢通。3.1.3施工材料準備
(1)按施工進度計劃編制材料設備計劃及進場時間表。(2)按規定進行各種材料檢驗工作,收集出廠合格證書及試驗報告。
(3)做好各種主材、輔材等的訂貨工作及合同的簽訂。
(4)配合業主、設計單位、監理對各種材料、輔材進行認可工作。
(5)做好各種材料進場的保護工作及堆放場地的防護措施。
3.2 施工步驟
3.2.1工程實施階段
鑒于氣體滅火工程涉及多領域、多學科。因此,項目部作為負責項目的全面技術協調和工程組織管理,以協調業主方、設計方、監理方及其它各分包方等之間的配合,確保全系統的整體性。根據本要求和我們近年來進行氣體消防工程的施工經驗,我們將氣體消防系統的建設全過程,大致分為以下 5 個階段構成:
(1)工程設計階段;
(2)系統工程施工階段;
(3)試運行(調試)階段;
(4)系統維護優化階段。
3.2.2 設計階段
我公司作為該項目的深化設計方,其首要任務是與業主一道準確界定設計需求。設計文檔必須對用戶需求、技術方案作出概略的功能描述;對系統設計與設備選型以及工程施工要求作出建議。及時召開設計聯絡會議,并在后續設計圖紙中落實。方案通過評審 (或會審) 后,即可轉入深化系統設計階段,最后配合設計單位提供深化系統設計文檔和可直接用于施工的施工圖紙。深化系統最終文檔包括以下內容:
♦ 用戶需求詳細說明
♦ 技術方案選擇、分析及概述
♦ 系統功能描述
♦ 廠家設備分析與選型
♦ 工程施工安裝圖
3.2.3工程實施階段
工程施工原則上按照深化設計方案進行,如有個別需要修改之處,必須會同設計方、業主方、監理審定,以設計變更通知單的形式通知。第 1 階段說明 (提交施工圖紙交底階段):
Ø 任務:該施工圖以設計院設計建筑平面圖為基礎,依照深化的最終設計方案將本工程的走線、管徑、線徑 / 數量、設備安裝位置 / 高度等標識清楚。
Ø 相關人員:我方相關專業設計人員;業主方及設計方相關部門工程師。
Ø 目的:完成施工圖技術交底,提交業主方 / 設計院。
第 2 階段說明 (設計最終確認階段):
Ø 任務:確認施工圖中所反映的內容 是否與水電、暖通空調等其它專業發生沖突。
Ø 相關人員:我方相關部門工程師;設計院。
Ø 目的:對施工圖紙進行最終修改 / 確認,作為今后施工 / 階段驗收的依據。
第 3 階段說明 (進場施工階段):
Ø 任務:完成所有穿管、放線的工作,所有須做好文檔(線纜顏色、大致長度、走向、隸屬專業)須做好標識,且標識要牢固。所用金屬/非金屬管均須符合消防要求,管徑與數量均須符合相關要求。相關人員:各專業施工人員、技術督導人員,監理人員。
Ø 目的:保證施工質量,保證工程進度,確保施工階段性驗收。
第 4 階段說明 (設備安裝調試階段):
Ø 任務:依據系統設備安裝圖、接線圖表以及相應的設備安裝手冊,同時對照線纜標識記錄表進行接線和設備安裝。
Ø 相關人員:我方各專業技術人員,業主方已培訓人員。
Ø 目的:完成各系統設備安裝調試;接受管理方培訓人員實地操作,熟悉系統,為今后系統維護做好準備。
第 5 階段說明 (系統試運行階段):
Ø 任務:各子系統進入試運行階段,適當調整相關參數,使各子系統進一步達到最佳運行效果。修改、進一步完善各專業文檔。
Ø 相關人員:業主方、監理、我方技術人員。
Ø 目的:及時發現系統中存在的問題;進一步完善系統。
3.3 主要分項、分部工程的施工方法及技術措施
3.3.1氣體滅火系統施工工序
氣體滅火系統施工工序:定位鉆孔® 管線制作安裝®鋼瓶就位固定® 氣體電磁閥裝配® 系統聯動調試® 自檢® 消防驗收
3.3.2 鋼瓶及組件的施工工藝、方案和要求
1、 準備工作及注意事項鋼瓶儲存20℃下加壓至2.5MPa的七氟丙烷藥劑。在此壓力下,如果鋼瓶閥被誤啟動,或者瓶頭閥斷裂,高壓氣體釋放出來,會對人和財產造成危害。為避免發生危險,在處理七氟丙烷鋼瓶時,必須遵守以下規定:
l 如果沒有安裝鋼瓶運輸蓋,決不可以裝卸或運輸鋼瓶。
l 使用合適的設備來裝卸七氟丙烷鋼瓶(如叉車、卡車或者吊車)。切不可使鋼瓶跌落。
l 鋼瓶卸車后,要用合適的鋼瓶手推車或載重滑車來運輸。
l 在工地現場,如果沒有立即進行安裝,就要妥善保管鋼瓶,使之免受損害。
l 不能對鋼瓶的任何部位及啟動部件施加強力(如錘子、扳手等)
l 若發生任何非正常的情況,如發現瓶頭閥擠壓、變形,或者破裂等,要遠離鋼瓶,并通知有關的工程師。
l 不得對七氟丙烷鋼瓶、瓶頭閥和啟動裝置進行鉆孔、銅焊、焊接或鍛壓。只允許對鋼瓶進行清潔和油漆。
2、 檢查每個鋼瓶壓力是否為2.5MPa。如果指示壓力超出壓力表的綠色區域,要通知有關工程師。壓力表的綠色區域為在最大至最小溫度下,相應的壓力范圍。
3、 在電動啟動器上安裝手動/氣動啟動器前,檢查啟動銷是否完全縮進以及是否安裝了安全銷。
4、 在所有進入保護區的入口,安裝七氟丙烷入口警告牌。
5、 在七氟丙烷手動釋放位置附近,安裝七氟丙烷手動警告牌。
3.3.3 其它
l 各設備安裝后,應及時按施工要求,掛放安全警示牌。并做相應的保護措施 。l 做好必要的防護措施,確保施工安全。
3.3.4 系統調試
1、 氣體滅火系統的調試宜在系統安裝完畢,以及有關的火災自動報警系統和接口自動關閉裝置、通風機械和防火閥等聯動設備的調試完成后進行。為了防止人為誤操作引起系統噴放,應嚴格按照安裝手冊進行安裝。2、 檢查控制盤各連接回路是否正確,無故障信號產生。
3、 對滅火系統的探測器逐個進行試驗,確認其動作應準確無誤。
4、 檢測系統的一級二級報警信號是否正確,二級報警信號產生后,聯動設備動作。系統延時30秒,啟動瓶頭閥及選擇閥上的電磁閥啟動器。
5、 檢測系統的手拉啟動及應急操作是否正確可靠,手/自動轉換開關,緊急停止開關是否工作正常。
6、 消防中央控制室應能夠接受到系統的報警、故障、噴氣、三種信號。
7、 調試完畢,應對系統進行復位。
3.3.5氣體滅火報警操作控制系統施工工序及施工工藝
1、 操作控制系統施工工序2、 操作控制系統施工工藝
l 系統的施工按設計圖紙進行,不隨意更改。火災自動報警系統施工前,應具備布置平面圖、安裝圖、示范圖以及其它必要的技術文件。
l 布線:
n 報警控制系統的布線符合現行國家標準《電氣裝置工程施工及驗收規范》的規定。
n 報警控制系統布線時,根據現行國家標準《火災自動報警系統設計規范》的規定,對導線的種類、電壓等進行檢查。
n 導線在管內無接頭或扭結,導線的結頭在接線盒內應采用焊接或用端子連接。
n 敷設在多塵或潮濕場所管路的管口和管子連接處,均作密封處理。
n 管路超過下列長度時,在連接管處裝設接線盒:
u 管子長度每過45m,無彎曲時;
u 管子長度每過30m,有一個彎曲時;
u 管子長度每過20m,有二個彎曲時;
u 管子長度每過12m,有三個彎曲時。
n 管子入盒時,盒外側套鎖母,內側面裝護口,在吊頂內敷設時,盒的內外側均有鎖母。
n 明管應涂刷3遍防火涂料。
n 報警控制系統導線敷設后,對每回路的導線用500V的兆歐表測試絕緣電阻,其對地絕緣電阻值不小于20MΩ。
3、 火災探測器的安裝
l 點型火災探測器安裝位置應符合下列規定:
n 探測器至墻壁、梁邊的水平距離不小于0.5m;
n 探測器周圍0.5m內,無遮擋物;
n 探測器至空調送風口邊的水平距離不小于1.5m,至多孔送風頂棚孔口的水平距離不小于0.5m;
n 探測器宜水平安裝,如必須傾斜安裝時,傾斜角不應大于45°
n 當被梁隔斷區域面積超過一只探測器的保護面積時,應視為一個探測區域,計算探測器的設置數量。
按梁間區域面積確定一只探測器能夠
保護的梁間區域的個數表
|
探測器的保護面積 A(m2) |
梁隔斷的梁間區域面積 Q(m2) |
一只探測器保護的梁間 區域的個數 |
|
| 感溫探測器 | 20 |
Q>12 8 6 4 Q≤4 |
1 2 3 4 5 |
| 30 |
Q>18 12 9 6 Q≤6 |
1 2 3 4 5 |
|
| 感煙探測器 | 60 |
Q>36 24 18 12 Q≤12 |
1 2 3 4 5 |
| 80 |
Q>48 32 24 16 Q≤16 |
1 2 3 4 5 |
|
l 探測器的底座固定牢靠,其導線連接處必須壓接或焊接。采用焊接時,不得使用帶腐蝕性的助焊劑。
l 探測器的“+”線為紅色,“-”線為蘭色,其余線根據不同用途采用其它顏色區分并在本工程中各站點中,相同用途的導線顏色必須一致。
l 探測器底座的外接導線留有不小于15mm的余量,入端有明顯標志。
l 探測器底座的穿插線孔宜封堵,安裝完畢后的探測器底座采取保護措施。
l 探測器的確認燈,面向便于人員觀察的主要入口方向。
l 探測器在即將調試時方可安裝,在安裝前妥善保管,并采取防塵、防潮、防腐蝕措施。
4、 控制箱的安裝
l 本工程的控制箱安裝在出入口旁的墻上,控制主機安裝在控制室的墻面上,其底邊距地(樓)面高度不小于1.5m,落地安裝時,其底邊高出地坪0.1-0.2m;
l 控制箱安裝牢固,不傾斜,當其安裝在輕質墻上時,將采取加固措施。
l 引入控制箱的電纜或導線應符合下列要求:
n 配線應整齊,避免交叉,并固定牢靠;
n 電纜芯線和電線導線的端部均標明編號,并與圖紙一致,字跡清晰,不易退色。
n 端子板的每個接線端,接線不超過兩根;
n 電纜芯和導線留有不小于20cm的余量;
n 導線綁扎成束;
n 導線引入控制箱,在進線管處應封堵。
l 控制箱的主電源引入線,直接與消防電源連接,嚴禁使用電源插頭,主電源有明顯標志。
l 控制箱的接地牢固,并有明顯標志。
5、 模塊箱及消防控制設備的安裝
l 消防控制設備在安裝前,應進行功能檢查,不合格者不得安裝。
l 模塊的“+”線為紅色,“-”線為蘭色,其余線根據不同用途采用其它顏色區分并在本工程中各站點中,相同用途的導線顏色必須一致。
l 模塊底座的外接導線留有不小于15mm的余量,入端有明顯標志。
l 外接導線的端部,有明顯標志。
l 模塊箱內不同電壓等級,不同電源類別的端子應分開,并有明顯標志。
6、 警鈴、聲光報警器安裝工藝及要求
l 室內警鈴、聲光報警器安裝在墻面,其過墻線應用鋼管保護。
l 室外警鈴、聲光報警器盡量安裝在入口處門框上方,其過墻線應用鋼管保護。
7、 放氣指示燈安裝工藝及要求
放氣指示燈應安裝在入口處門框上方,其過墻線應用鋼管保護。
8、 系統接地裝置的安裝
l 工作接地線應采用銅芯絕緣導線或電纜,不得利用鍍鋅扁鐵或金屬軟管。
l 由消防控制室引至接地體的工作接地線,通過墻壁時,應穿入鋼管或其它堅固的保護管。
l 工作接地線與保護接地線分開敷設,保護接地導體不得利用金屬軟管。
l 其它火災報警設備和聯動設備安裝按有關規范和設計廠家要求進行安裝接線。
3.4確保工期的技術組織措施
3.4.1 施工進度計劃安排
根據工程特點和現場施工狀況,本工程總工期安排按業主要求進行。 總工期為15天。3.4.2 施工進度保證措施
以消防系統工程理論為指導,輔以流水法,網絡法施工計劃管理,確保合同的履行。在規定的工期內完成合同,并且爭創工程質量全優,是我公司施工組織總體部署優先考慮的目標。1)在各施工點,建立辦公室和材料堆放、加工等區域。建立通暢的交通道路和通訊系統。
2)建立與業主的緊密聯系,及時調整施工安排和進度,確保材料采購,設備進場、人員到位、工序接洽與總體安排相匹配。確保總體工期的實現和完成。
(1)為了保證施工進度和施工工期,項目部將配備精強的施工技術人員管理人員,及時編制施工方案,編制施工進度。做好施工前的準備工作及與各其它單位的協調工作,準備材料機具,做好前期臨設工作,調動勞動力,做好內外施工協調工作,做好施工質量與安全生產管理工作。
(2)施工前全面詳細熟悉設計施工圖及有關的技術質量要求,在設計單位的技術交底下嚴格做到按圖施工,按技術質量驗收規范要求施工,如有改動必須征求業主意見,確保本工程質量。
(3)盡量采取合理先進的施工工藝。
(4)在調試中,采用單體調試同安裝同時進行,聯動按獨立防火分區試驗合格后,再總體聯動的方案組織施工,并做好記錄,達到縮短工期的目的。
(5)加強對材料、設備、機具等進場計劃的控制,利用我方多年來建立起來的采購體系,充分利用市場信息,杜絕避免因材料進場時間和質量延誤而造成的誤工,而造成施工工期的延長。
(6)對勞動力的安排滿足工程進度,尤其對熟練工人要做到合理安排,開展施工流動“質量、安全、文明、工期”活動,充分調動每一個人的積極性、創造性。嚴格遵照工程進度計劃進行施工,如其它外部原因影響工期,必須加班加點趕上工程進度要求。從各方面保證消防氣體滅火系統工程在保證質量的前提下以最快的工程進度進行施工。
(7)嚴格執行施工現場的安全生產防火保衛工作制度,施工現場的動火特別在裝飾階段要嚴格按防火制度分別辦理動火許可審批續。
(8)充分做好資金準備工作,保證本工程資金專款專用外,我公司在短期內投入一定額度的資金,保證施工工期順利完成。
第一部分:消防系統
工程說明:本工程為重慶123科技大樓機房七氟丙烷氣體滅火系統工程。考慮到機房內部的地板下和吊頂上是相通的,所以把以上房間作為一個保護區,分為三層噴頭布置考慮到地板下和吊頂上的空間很低則使用線型感溫探測器和感溫探測器進行復合報警。
一、 編制依據:
⒈ 設計單位提供的全部施工圖和設計文件。
⒉ 上級下發的有關施工技術文件和建筑行業管理規定。
⒊《氣體滅火工程施工及驗收規范》
二、工程概況:
本工程為123科技大樓,氣體滅火系統設在計算機房內。施工中應對運行設備及地面進行防護。參照設計圖紙,依甲方意見,在保證施工的情況下,盡量減少破壞原有建筑。
三、主要機具用量表
主要機具用量表
| 序號 | 名 稱 及 規 格 | 單 位 | 數 量 |
| 1 | 交流電焊機 | 臺 | 1 |
| 2 | 套絲機 | 臺 | 1 |
| 3 | 流動配電箱 | 臺 | 1 |
| 4 | 電錘 | 把 | 1 |
| 5 | 手槍電鉆 13㎜ | 把 | 1 |
| 6 | 臺鉆 15㎜ | 臺 | 1 |
| 7 | 開孔器15-70㎜ | 臺 | 2 |
| 9 | 絕緣搖表 | 塊 | 1 |
| 10 | 管道打壓設備 | 套 | 1 |
| 11 | 氧氣切割設備 | 套 | 1 |
勞動力需用量計劃表
| 序號 | 工 種 | 人 數 |
| 1 | 施工隊長 | 1 |
| 2 | 技術負責人 | 2 |
| 3 | 工長 | 1 |
| 4 | 質檢員 | 1 |
| 5 | 安全員 | 1 |
| 6 | 電工 | 2 |
| 7 | 電、氣焊工 | 2 |
| 8 | 管工 | 4 |
1. 根據設計要求,管材應符合規范要求。
2. 根據七氟丙烷及氣體滅火系統管道安裝要求,兩個固定支架間距符合國家標準,彎頭及三通各側0.3米至0.5米處都應設置固定支架,各管道側墻支架、吊架的制作,安裝間距參照國標:
支、吊架之間的最大間距
| 管道公稱直徑(mm) | 15 | 20 | 32 | 40 | 50 | 65 | 80 | 100 | 150 |
| 最大間距(m) | 1.5 | 1.8 | 2.4 | 2.7 | 3.4 | 3.5 | 3.7 | 4.3 | 5.2 |
3. 根據久安公司要求,高壓系統部分、低壓系統部分與設備連接部分用絲扣連接,其余連接用焊接。
4. 鋼瓶需要特別的支架,膨脹螺栓固定在墻上、地下,避免氣體釋放時鋼瓶晃動。
5. 在安裝時應檢查管路系統內部是否有油污或殘渣,以免污染保護區或阻塞噴頭孔徑以致影響氣體噴放。
6. 管路系統安裝完畢后,應使用氮氣做氣體管路的強度試驗、嚴密性試驗及吹掃。
7. 安裝噴頭時,為使保護區天花吊頂和諧美觀,要求噴頭在吊頂石膏板居中心位置,由甲方負責與其它專業(如日光燈、風口、煙感探測器)協調安裝位置的關系。
8. 噴頭尺寸與接管尺寸相同。
9. 安裝前請閱讀久安公司的安裝手冊。
六、施工安裝工藝:
㈠、設備及材質要求:
1.設備及附件必須有使用說明書、產品合格證、氣體滅火主要設備必須有國家消防產品質量檢測中心出具的檢測報告和當地消防部門出具的銷售許可證。
2.輸送滅火劑的管道及管件必須有材質出廠檢驗報告和合格證。
3.設備開箱檢驗其規格、型號、數量符合設計要求。
4.各種設備、材料、輔材報工程監理認可后,方可用于施工。
㈡、施工安裝應具備的條件:
1.施工安裝圖、設計說明書、產品說明書都具備,并且經工程監理(業主)確認為正式施工圖。
2.防護區與鋼瓶間土建、結構已完工,鋼瓶間門、窗已安裝,并符合使用條件。
3.輸送滅火劑管道的標高已確定。
㈢、氣體滅火系統的設備及組件應符合《GB50263-97》中第二條的要求。
㈣、施工安裝:
1、鋼瓶間設備安裝:
⑴、貯存容器操作面距墻不小于1米,鋼瓶架應固定牢靠,統一刷成紅色,貯瓶正面應標明滅火劑的名稱、充裝量、充裝壓力、鋼瓶編號。
⑵、由工廠預制好的集流管在現場安裝時要保證管段水平、牢固。
⑶、區域分配閥安裝時,操作手柄應向操作面一側,閥中心線應在同一標高上,應有標明區域編號的永久性標志。
⑷、氣啟動裝置安裝要牢靠,區域編號要與區域分配閥編號和滅火區域號相同。
1. 滅火劑輸送管道安裝:
⑴、管道采用鍍鋅無縫鋼管,絲扣連接,DN>80mm時采用法蘭連接,破壞鍍鋅層處做防腐處理。
⑵、管道安裝除應按消防水系統要求施工外還應符合下列規定:管道支、吊架做法還應符合《GB50263-97》中第三條的有關規定。
㈤、管道吹掃、試壓:
管路系統安裝完畢后,應使用氮氣做氣體管路的強度試驗。高壓部分強度試驗壓力為22.5Mpa。低壓部分強度試驗壓力為10.5Mpa。試驗時將壓力升至試驗壓力后,保壓5min,目測管道應無變形。
管道強度試驗合格后,氣壓嚴密性試驗前,應進行吹掃。吹掃管道采用氮氣,吹掃時管道末端的氣體流速不應小于20m/s,采用白布檢查,直至無鐵銹、塵土、水漬及其他臟物出現。
在管道進行強度試驗合格及吹掃后,要用氮氣進行嚴密性試驗,高壓部分試驗壓力為15Mpa;低壓部分試驗壓力為7.0Mpa;試驗時將壓力升至試驗壓力,關斷試驗氣源后,3min內壓力降不應超過試驗壓力的10%,且用涂刷肥皂水等方法檢查防護區外的管道連接處,應無氣泡產生。
㈥、滅火劑管道統一刷成紅色環或紅色。
㈦、噴嘴安裝:
噴頭規格型號要符合設計要求,噴孔方向如果設計無要求時,應按均勻噴灑氣體的原則現場確定安裝方案。
七、調試方案:
㈠、系統調試前應具備的條件
1.該系統滅火劑輸送管道安裝完畢,管網整體強度試驗,與氣密性試驗合格(試壓前檢查支、吊架是否牢固)。
2.氣體滅火鋼瓶設備及氣動啟動裝置已按設計要求和相關規范標準安裝完畢。
3.氣體滅火系統報警控制主機安裝完畢,電源接通(或臨時電),單機調試合格,各種報警裝置和啟動裝置、標志燈都安裝完畢。
4.在滅火時需要控制的設備已壓好線,與控制系統接通。要求被控設備專業在調試階段派人協助工作。
5.在調試階段滅火區內不允許與調試無關的人員在工作,將氮氣瓶安裝在滅火瓶的位置,并與管網接通。
㈡、氣體滅火系統調試內容及過程:
4 1 手動操作
3
7
5 8 2
6
注:箭頭線上的編號為工作序號。
八、安全技術措施:
1. 認真做好安全技術交底,嚴格執行施工安全的有關規定。
2. 施工現場設專職安全員和施工負責人。
3. 使用電動工具要有漏電保護裝置,嚴禁違反有關操作規程。
4. 進入各計算機房的施工人員,必須遵守甲方的規章制度,服從甲方指揮。
5. 進入施工現場人員應按規定配備:安全帽、安全帶和其他勞動保護用品。嚴禁違章作業。冒險作業,
6、嚴禁在施工現場打鬧開玩笑,嚴禁酒后和身體有病時上崗作業。 嚴 禁隨地大小便、嚴禁在施工現場吸煙。
7、任何人員不得隨意挪動甲方任何器材和物品。
8、進入施工現場的各種機械設備的安全保護裝置必須齊全有效。
電焊工在室內焊接時,必須設接火盆。為防止火花落地,下面必須鋪 0.5mm厚鐵皮。電氣焊作業必須有用火證,設看火人,每個房間備5Kg滅火器4個。電焊機的一次線不大于5米、二次線30米雙線到位。氧氣瓶乙炔瓶的安全距離不小于8米。電焊機和氣焊設備不得進入室內,放在室外安全的地方。操作人員必須持有北京市的特殊工種操作證。
9、加強施工現場管理,每天必須做到工完場清,所有工具、材料必須排放 整齊。下班后必須將復蓋在設備上的簾布拆開保證設備通風。
九、質量目標設計
A:質量目標
1. 各工序合格率應達到100%,允許偏差項目實測合格點數在95%以上。
2. 各工序優良率應占檢驗數的60%以上。
3. 觀感質量的評分應在95分以上。
4. 全部竣工資料評分在90分以上。
B:質量目標設計:
分部工程質量目標:市優
十、保證質量的措施
⒈施工人員認真熟悉圖紙,嚴格按照施工規范和質量標準施工。
⒉開工前認真做好圖紙會審工作,把問題盡量解決在開工以前,每一道工序施工前應仔細熟悉圖紙,發現問題無法按圖施工時,應及時向甲方、設計提出,寫出洽商變更經甲方簽字后方可施工,嚴禁自作主張盲目施工。
⒊合理安排施工工序,做好自檢、互檢、隱檢,堅持樣板制,強化各施工組的質量意識,做到人人心中有面質量的鏡子。
4.對于進場的各種管材、型材、線材、盒、箱等材料均應報驗,以上質量保證文件應在自檢后報甲方驗收合格后方可使用。
⒌所有設備訂貨均應與甲方共同對生產廠家的生產工藝、產品質量、檢測手段等進行考察,并審查有關技術文件、合格證、消防許可證進行質量認定。
⒍嚴禁使用不合格的材料和無材質檢驗報告的材料。
⒎實行優質有獎政策,獎罰分明。
智淼君安(江蘇)消防工程技術有限公司http://www.jianlaiyiyao.com/
海灣消防安全有限公司主營:GST海灣消防報警設備銷售,消防工程施工改造,氣體滅火、電氣/漏電火災、消防水系統施工安裝,售后維修保養,檢測,調試,海灣消防網站:http://www.jianlaiyiyao.com/;海灣消防服務熱線:4006-598-119
本頁關鍵詞:
技術資料更多 >>


蘇公網安備32058102002148號